Manuals
/
Cub Cadet
/
Lawn and Garden
/
Lawn Mower
Cub Cadet
148
manual
Models:
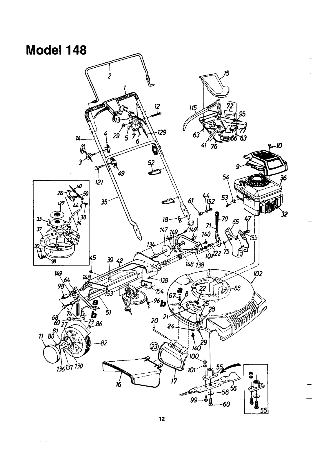
148
1
14
16
16
Download
16 pages
12.58 Kb
9
10
11
12
13
14
15
16
Page 14
Image 14
Page 13
Page 15
Page 14
Image 14
Page 13
Page 15
Contents
Page
Page
Page
Page
Page
Page
Page
Page
Page
Page
Page
Page
Page
Page
Top
Page
Image
Contents