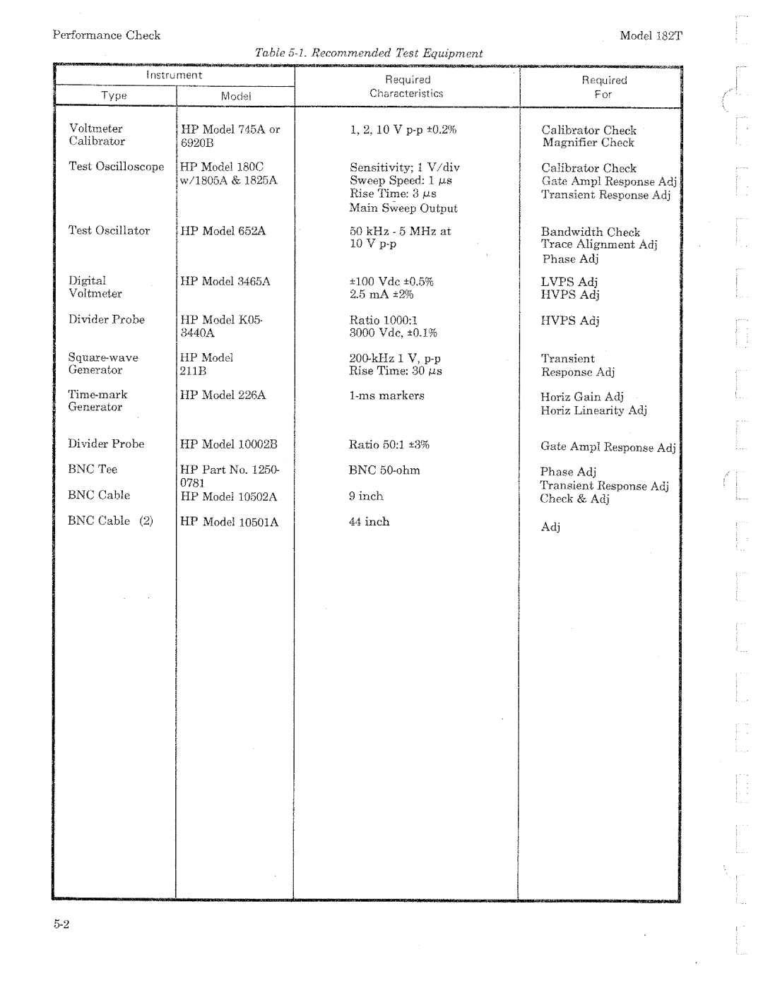
Page 21
Image 21
HP 182T manual

182T specifications

The HP 182T is a versatile and high-performance touchscreen interactive display designed for various applications, including education, corporate settings, and collaboration spaces. This model stands out due to its sleek design and advanced technological features, making it an ideal choice for modern environments that demand interactive and engaging visual experiences.

One of the key features of the HP 182T is its 18.5-inch display, which offers a resolution of 1366 x 768 pixels, ensuring clear and vibrant visuals. The touchscreen interface is highly responsive, allowing users to easily navigate and interact with content using gestures like pinch, zoom, and swipe, enhancing the overall user experience. Its compact size makes it suitable for small spaces, while still providing ample screen real estate for effective presentations and collaborative activities.

The interactive display is equipped with HP's advanced touch technology, which supports up to 10 simultaneous touch points. This capability allows multiple users to interact with the screen simultaneously, facilitating group work and interactive learning sessions. The anti-glare coating on the display ensures that users can view content without reflections, even under bright lighting conditions.

Connectivity options are abundant on the HP 182T, featuring multiple HDMI and USB ports, along with VGA input for legacy devices. This versatility simplifies the task of connecting various peripherals, such as laptops and document cameras, making it easy to share and present information in real time. Integrated speakers provide decent audio output, further enriching presentations and discussions.

In terms of durability, the HP 182T is built to last with a robust casing, making it resilient in busy environments. It also supports VESA mounting, allowing users to install it on walls or mobile carts, ensuring flexibility in placement.

Overall, the HP 182T is a powerful tool for professionals and educators alike, combining functionality, style, and advanced touch capabilities. Its design encourages collaboration and interactivity, making it a pivotal component in modern workstations and learning environments. With its array of features and reliable performance, the HP 182T meets the demands of today's dynamic and interactive settings, signifying a leap forward in display technology.