Page 99
Image 99
Intel sdk-85 system design kit manual

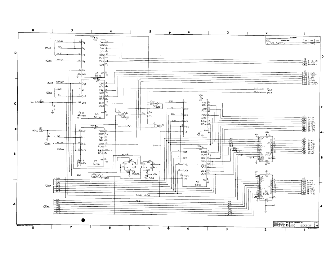
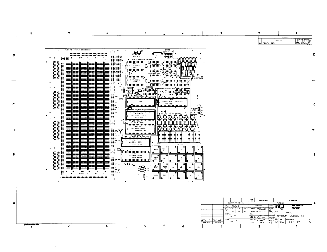
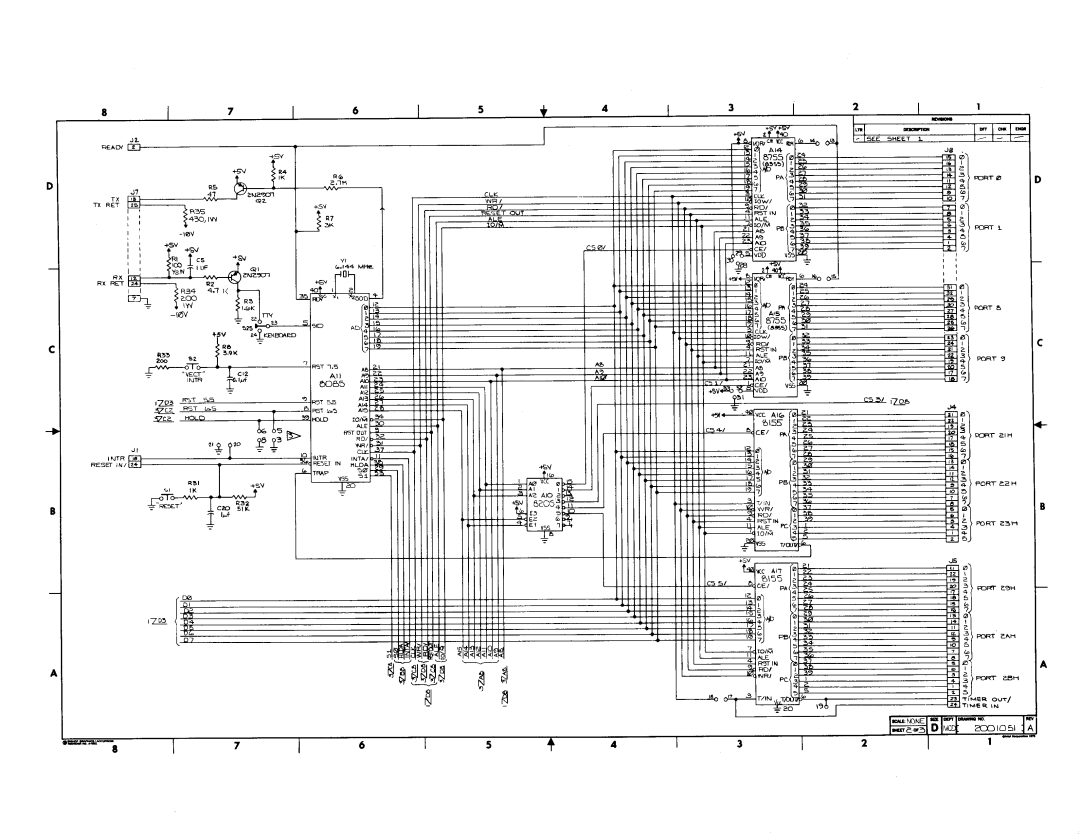
sdk-85 system design kit specifications

The Intel SDK-85 System Design Kit is an innovative development platform designed to facilitate the creation and prototyping of comprehensive electronic systems. This kit serves as a valuable resource for engineers, hobbyists, and students, enabling them to explore the functionalities of the Intel 8085 microprocessor and its related technologies in a hands-on manner.

One of the main features of the SDK-85 is its comprehensive set of tools that simplify the design and implementation of microprocessor-based projects. The kit typically includes a fully assembled motherboard featuring the Intel 8085 microprocessor, along with essential peripherals such as memory units, input/output ports, and interfaces. This modular design allows users to experiment with various configurations and integrations, promoting a better understanding of microprocessor architecture.

Another notable characteristic of the SDK-85 is its support for various programming languages, including assembly language and high-level languages. This flexibility allows users to write and test software directly on the platform, providing an interactive learning experience that enhances their programming skills. The presence of diagnostic tools and debugging features further assists developers in optimizing their codes and troubleshooting potential issues.

The SDK-85 also incorporates a variety of connectivity options, which enable easy communication with other devices and systems. This feature is particularly beneficial for projects that demand data exchange between multiple components, making the SDK-85 a versatile platform for developing interconnected applications.

In terms of educational value, the Intel SDK-85 is an excellent resource for understanding fundamental concepts related to microprocessor operations, digital electronics, and system design. Its hands-on approach allows users to grasp theoretical knowledge through practical application, fostering a deeper comprehension of how modern computing systems operate.

Overall, the Intel SDK-85 System Design Kit combines user-friendly design, robust technology, and extensive educational benefits, making it a premier choice for anyone looking to delve into the world of microprocessor-based system design. Its rich feature set and adaptability ensure that users can experiment, learn, and innovate in their electronic projects, paving the way for future advancements in technology and engineering.