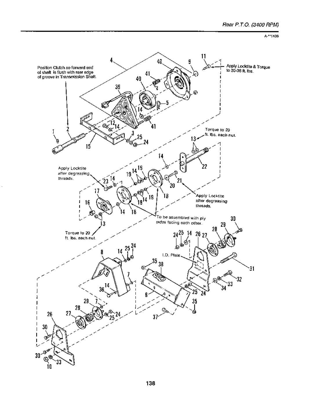
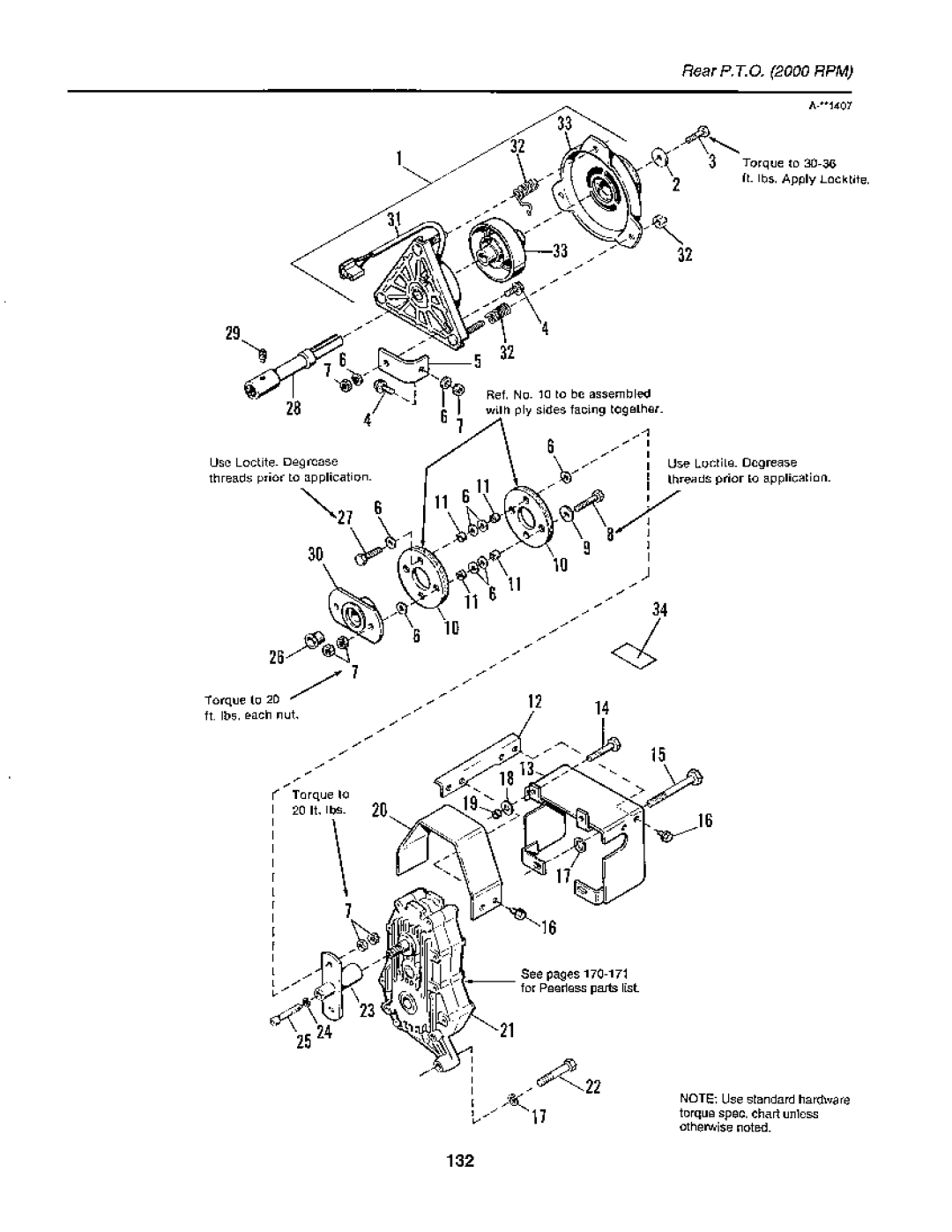
Page 136
Image 136
Snapper 1900 Series manual

1900 Series specifications

The Snapper 1900 Series is a highly regarded line of lawn mowers designed to meet the needs of both residential and commercial users. Known for its robust performance and advanced features, the 1900 Series boasts a range of technologies that enhance usability, efficiency, and the overall mowing experience.

One standout feature of the Snapper 1900 Series is its powerful engine options. With the availability of reliable, high-performance engines, users can expect exceptional cutting power and efficiency. These engines provide reliable performance, ensuring that even the toughest mowing tasks can be handled with ease. Additionally, they are built to minimize fuel consumption and emissions, making them an environmentally friendly choice for lawn care.

Another key characteristic of the 1900 Series is its innovative cutting deck design. The Snapper mowers feature a durable, steel cutting deck that comes with multiple cutting heights. This allows users to customize their mowing experience according to the type of grass and desired lawn finish. The precision cutting technology ensures a clean and even cut every time, promoting healthier grass growth and minimizing unsightly lawn damage.

User comfort is also a priority in the Snapper 1900 Series. The ergonomic design of the handles reduces user strain, making operation comfortable even during extended mowing sessions. Additionally, many models include features like adjustable handlebars and cushioned grips, which enhance the overall user experience. The convenient controls are positioned for easy access, allowing quick adjustments without interrupting the mowing workflow.

Safety features are woven into the design of the Snapper 1900 Series as well. The inclusion of an automatic blade brake ensures that the mower blades come to a complete stop when the user releases the handle, reducing the risk of accidents. This feature, combined with its sturdy construction and safety-oriented design, makes the 1900 Series a dependable choice for conscientious lawn care.

Lastly, maintenance is simplified with user-friendly design elements. The mowers in the Snapper 1900 Series are crafted for easy access to key components such as filters and oil reservoirs, facilitating straightforward maintenance. The durability and quality engineering of the Snapper 1900 Series promise longevity, making this line an investment for years of reliable service in lawn care. Whether for residential yards or larger landscapes, the Snapper 1900 Series delivers a blend of performance, comfort, and safety that is sure to satisfy a wide range of mowing needs.