Page 56
Image 56
Snapper GTH Series manual

GTH Series specifications

The Snapper GTH Series is a line of innovative garden tractors designed for homeowners seeking reliable, powerful, and versatile lawn care equipment. Engineered with convenience and performance in mind, the GTH Series stands out for its user-friendly features and robust technology, making it an excellent choice for maintaining residential lawns and gardens.

One of the defining characteristics of the Snapper GTH Series is its powerful engine options. These tractors are equipped with reliable, high-performance engines that deliver ample power for a variety of mowing tasks. The engines are designed to offer smooth operation and efficient fuel consumption, ensuring that users can tackle larger properties without frequent refueling.

The cutting deck of the GTH Series is another highlight. With a wide range of cutting widths available, the GTH lawn tractors offer versatility for both small and expansive lawns. The decks are crafted with durable materials and feature innovative designs that provide an even and precise cut. Many models come with a feature allowing for customizable cutting heights, enabling users to adapt their mowing to different grass types or seasonal requirements.

In terms of technology, the Snapper GTH Series incorporates advanced features that enhance usability. The hydrostatic transmission provides seamless acceleration and deceleration, allowing operators to navigate their lawns with ease. This technology requires little maintenance and offers a smoother driving experience compared to traditional gear-driven systems.

Comfort is also a priority in the design of the GTH Series. Many models come equipped with ergonomic seating and easy-to-reach controls, reducing operator fatigue during longer mowing sessions. The tractors also feature an intuitive dashboard with essential information readily accessible, keeping users informed about their equipment.

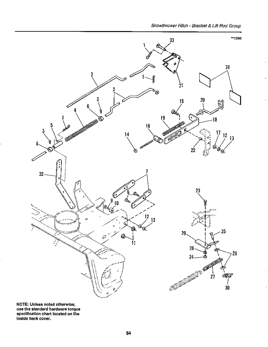
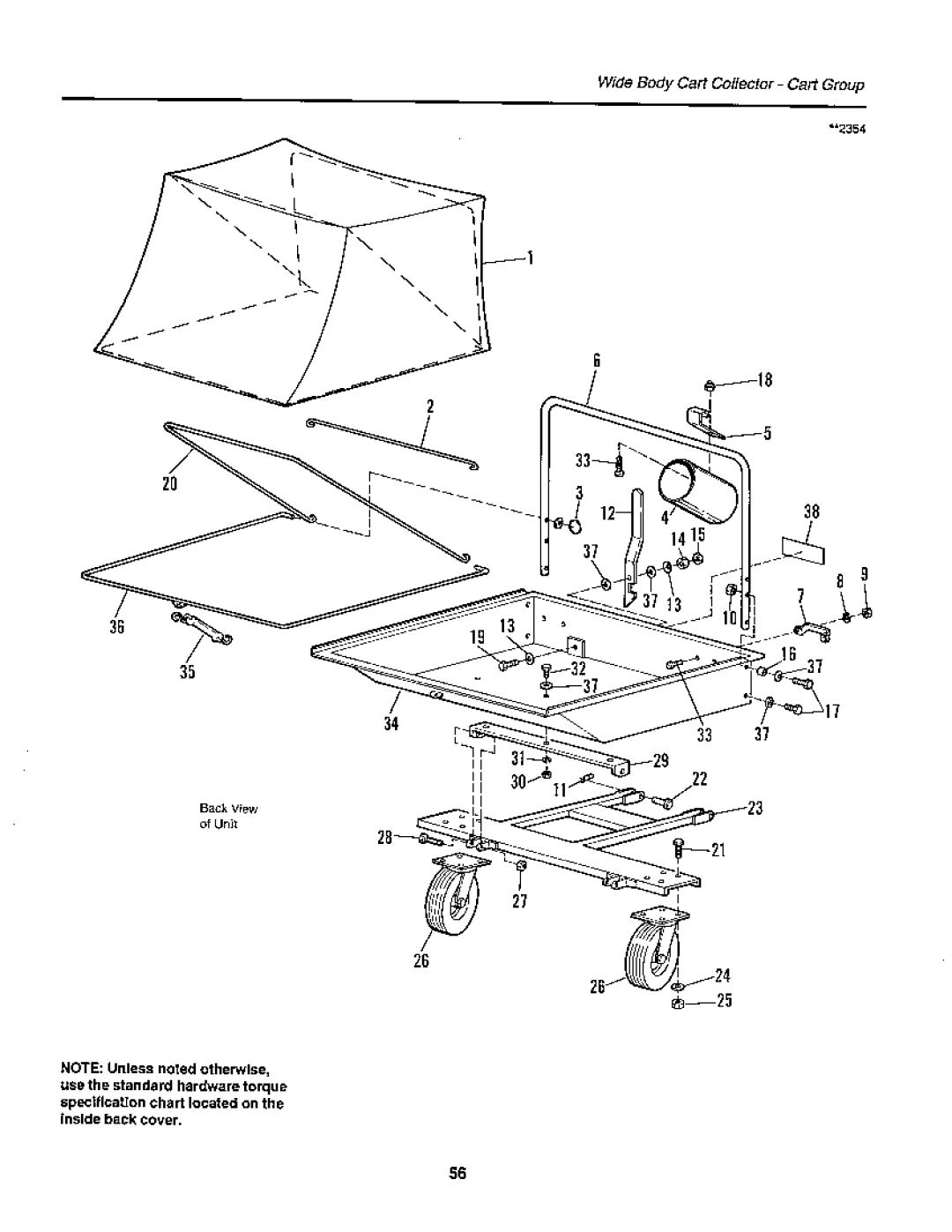
For added convenience, certain models in the Snapper GTH Series can be fitted with optional attachments such as snow throwers, carts, and utility trailers. This flexibility transforms the garden tractor into a multi-functional tool, capable of performing a variety of tasks beyond just mowing.

In summary, the Snapper GTH Series offers a blend of power, efficiency, and user-centric design. With its robust engine performance, versatile cutting decks, advanced technology, and comfort features, this series is positioned as an excellent choice for homeowners looking to elevate their lawn care experience. Whether tackling a simple mow or managing a larger property, the Snapper GTH Series meets the demands with reliability and ease.