Manuals
/
Sony
/
Cell Phone
/
Cell Phone
Sony
CMD-CD18
manual
Models:
CMD-CD18
1
24
24
Download
24 pages
20.17 Kb
17
18
19
20
21
22
23
24
Page 24
Image 24
Page 23
Page 24
Page 24
Image 24
Page 23
Page 24
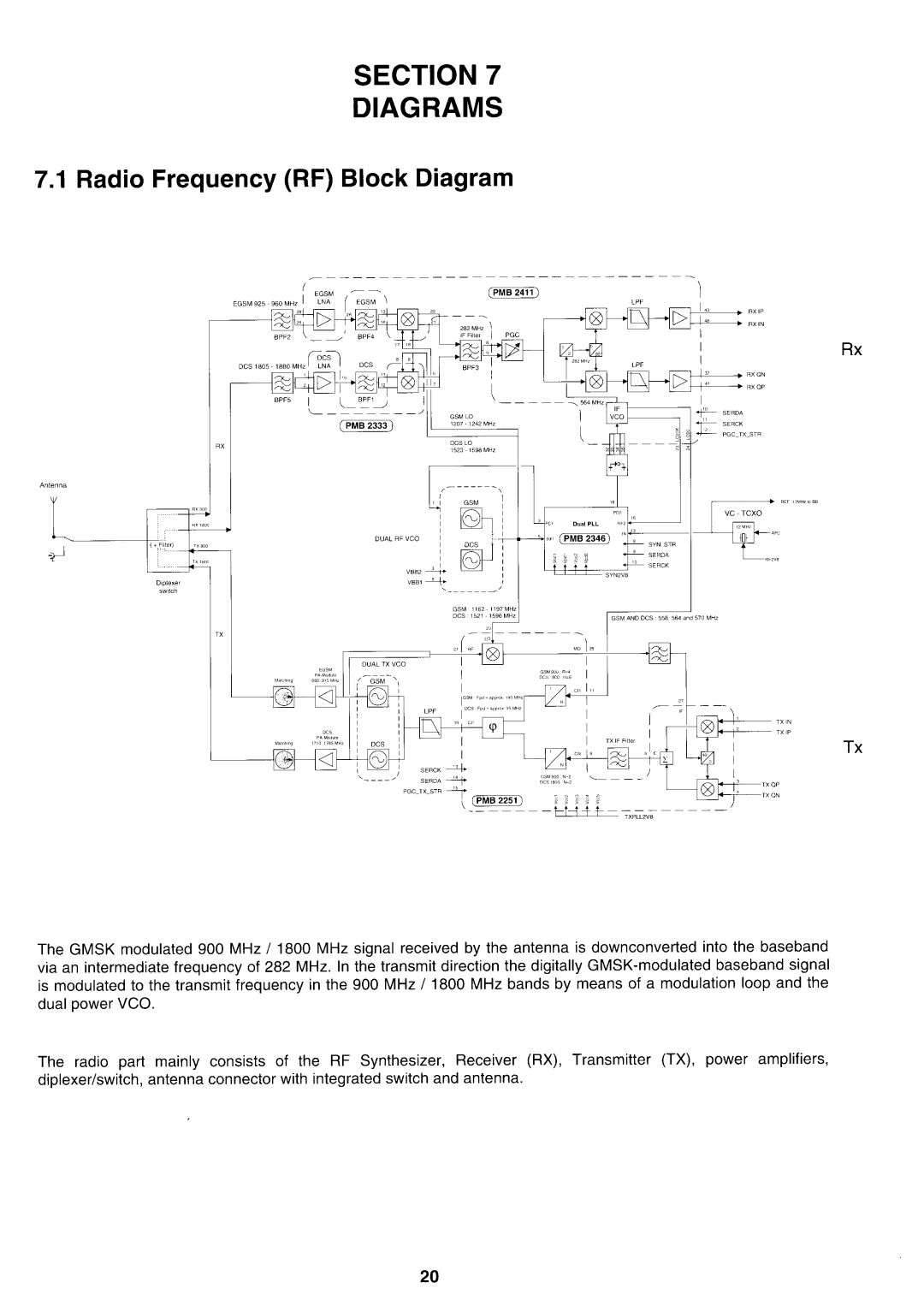
Contents
Page
Page
Page
Page
Page
Page
Page
Page
Page
Page
Page
Page
Page
Page
Page
Page
Page
Page
Page
Page
Page
Page
Top
Page
Image
Contents