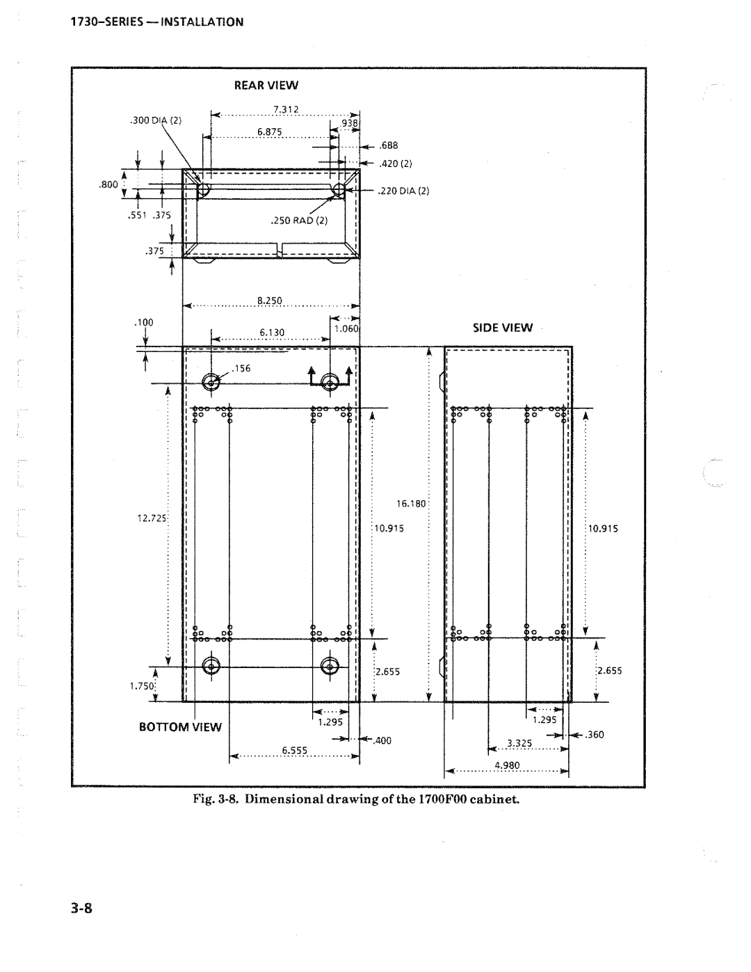
Page 48
Image 48
Tektronix 1730-Series manual

1730-Series specifications

The Tektronix 1730-Series oscilloscopes represent a significant advancement in the world of electronic testing and measurement. Designed with versatility and performance in mind, these oscilloscopes cater to a wide range of applications, making them an invaluable tool for engineers, technicians, and educators alike.

One of the standout features of the Tektronix 1730-Series is its high bandwidth capability, generally offering bandwidths ranging up to 500 MHz. This ensures accurate representation of fast signals and allows users to accurately capture and analyze high-speed digital and analog waveforms. Coupled with this bandwidth, the oscilloscopes have a high sample rate, often reaching up to 5 GS/s, which further enhances their ability to discern rapid signal changes.

The series also boasts a high-resolution display, typically featuring a color LCD screen that provides clear visibility of waveforms. The user interface is intuitive and designed to facilitate ease of use, enabling quick navigation through various measurement options and settings. This is particularly beneficial for those who are new to oscilloscopes, as it minimizes the learning curve while maximizing productivity.

In terms of measurement capabilities, the Tektronix 1730-Series is equipped with advanced analysis features including automatic measurements, advanced triggering options, and the ability to calculate eye patterns for digital signals. These analysis tools enhance the user experience by providing quick insights into signal characteristics, allowing engineers to focus on design improvements and troubleshooting rather than basic measurements.

The oscilloscope features multiple input channels, which can range from two to four, enabling simultaneous monitoring of multiple waveforms. This is crucial for applications such as mixed-signal design, where interacting signals must be analyzed concurrently. Additionally, the series supports a wide range of probes and accessories that further extend its functionality and adaptability to various types of measurements and environments.

Portable design is another hallmark of the 1730-Series, with lightweight and compact dimensions that allow for easy transport and setup in different working conditions. This mobility makes it an ideal choice for field testing applications and for professionals who need to operate in various locations.

In summary, the Tektronix 1730-Series oscilloscopes stand out with their high bandwidth, advanced measurement capabilities, user-friendly interface, and portability. These features combined make the series a powerful solution for a multitude of electronic testing and measurement scenarios, further solidifying Tektronix's position as a leader in oscilloscopic technology.