Page 16
Image 16
Cub Cadet CSV240 manual

CSV240, CSV24 specifications

Cub Cadet has long been recognized for producing high-quality outdoor power equipment, and its CSV240 and CSV24 chipper shredders exemplify this commitment to innovation and efficiency. Designed for homeowners and property maintenance professionals alike, these machines provide a reliable solution for managing yard waste, turning leaves and branches into mulch and compost.

One of the standout features of the Cub Cadet CSV240 and CSV24 is their powerful engine performance. The CSV240 is equipped with a robust 240cc Honda engine, delivering ample power for tough yard work. The CSV24, though slightly smaller, still provides impressive performance for most residential shredding needs. This reliable engine ensures that users can tackle even the most challenging debris, from dense leaves to thick branches, without compromising performance.

The dual knife system found in both models allows for effective shredding. These sharp, hardened-steel knives are designed for durability and offer the capability to slice through material quickly and efficiently. The result is finely chopped debris that can easily be composted or used as mulch around plants and garden beds. Additionally, the quick access to the shredding chamber makes it easy for users to maintain the knives, ensuring long-lasting performance.

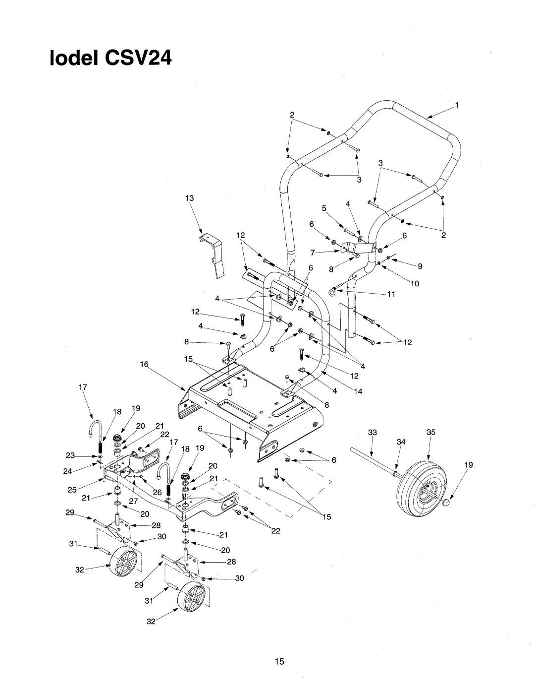
Portability is another key attribute of the CSV240 and CSV24. Both models feature large, heavy-duty wheels that allow for easy maneuverability across various terrains. This is especially advantageous for homeowners with larger yards or those who need to transport the machine over uneven ground.

Safety is a paramount concern for Cub Cadet, and both chipper shredders come equipped with essential safety features. A spring-loaded safety stop bar prevents the machine from operating when engaged, protecting users from accidental injury. Furthermore, the chippers are designed with low noise emissions in mind, making them a quieter option compared to other machines in the market.

In addition to their performance and safety features, the CSV240 and CSV24 both adhere to eco-friendly principles. By efficiently processing yard waste, these machines help reduce landfill waste while providing an environmentally friendly way to recycle organic material. This aligns with Cub Cadet's dedication to sustainability and responsible gardening practices.

In conclusion, the Cub Cadet CSV240 and CSV24 are outstanding choices for anyone looking to manage yard waste effectively. With their powerful engines, efficient shredding capabilities, portability, safety features, and eco-friendly design, these chipper shredders stand out in the competitive outdoor equipment market. Whether you're a seasoned gardener or just starting, these machines can help turn yard debris into valuable organic material for your garden and landscape.