
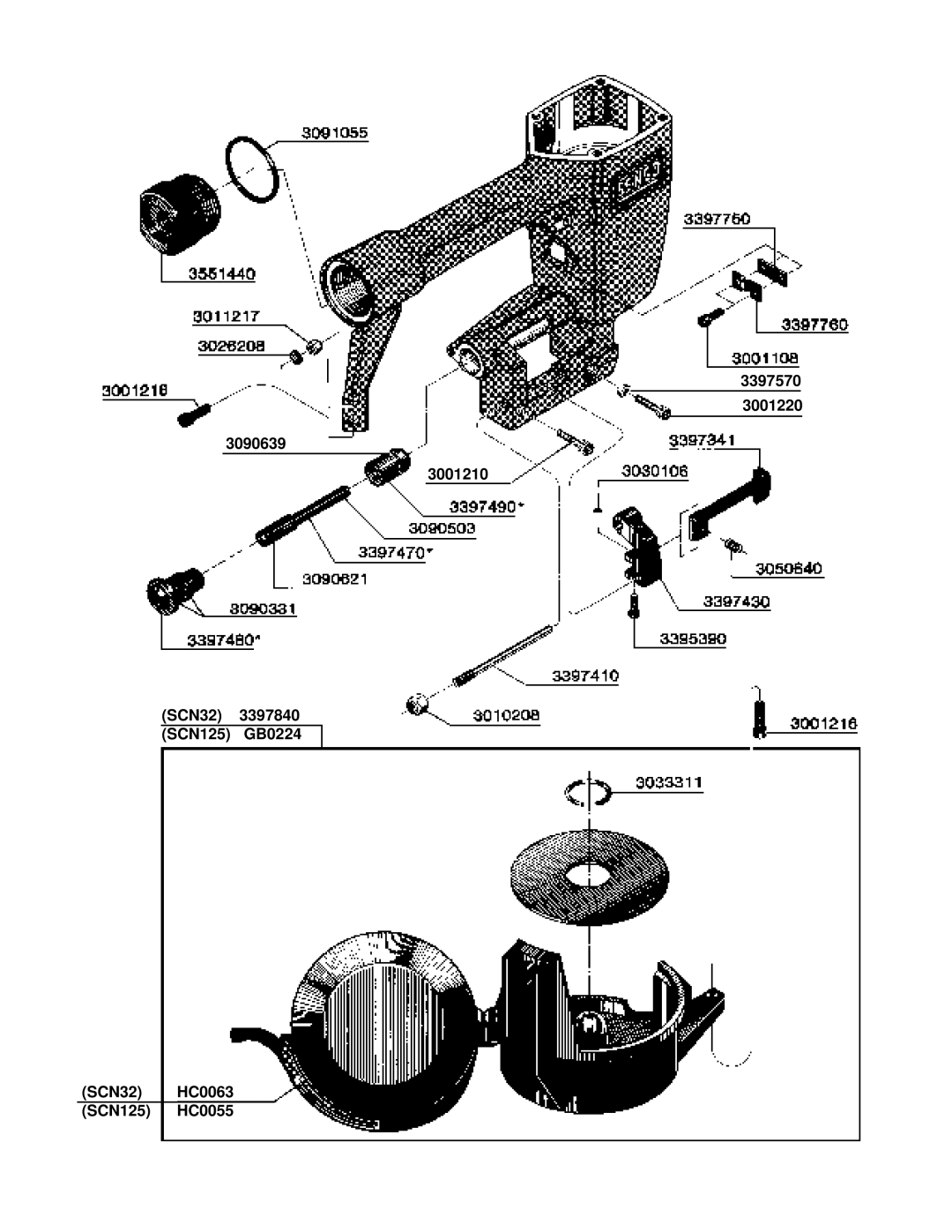
REPLACEMENT PARTS CHART
FASTENING SYSTEMS
SCN125/SCN32
Nailers
3397110
3099740
3397031
3090518
NFC125 Revised March 8, 1989 ©1989 by Senco Products, Inc. Cincinnati, Ohio

REPLACEMENT PARTS CHART
FASTENING SYSTEMS
3397110
3099740
3397031
3090518
NFC125 Revised March 8, 1989 ©1989 by Senco Products, Inc. Cincinnati, Ohio