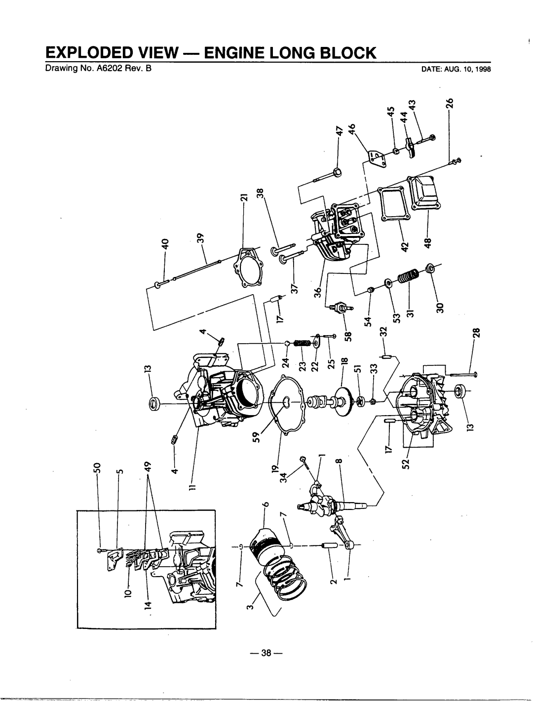
Page 36
Image 36
Generac Power Systems 00802-3 manual

00802-3 specifications

Generac Power Systems 00802-3 is a prominent and innovative energy solution that caters to both residential and commercial energy needs. Known for its reliability and superior engineering, this generator stands out in the competitive market of backup power systems.

At its core, the 00802-3 model is a whole-house automatic standby generator that provides seamless power restoration during outages. One of its main features is the incorporation of Generac's Infinite Power Technology (IPT), which ensures a steady and efficient power supply for your home or business, no matter the demand. This robust technology facilitates continuous power management, allowing for flexibility and adaptability to various energy requirements.

The 00802-3 operates on a powerful, industry-leading engine that is designed for longevity and performance. With a generous fuel tank capacity, this generator is able to run for extended periods without the need for frequent refueling. Furthermore, its advanced lubrication system enhances engine longevity, making it suitable for prolonged use in situations where reliability is crucial.

Another hallmark of the 00802-3 is its user-friendly interface. Equipped with an intuitive LCD display, users can easily monitor performance metrics, operational status, and maintenance schedules. The generator also features remote management capabilities, allowing users to control and monitor their system from anywhere, using a smartphone app. This convenience is especially valuable in today's fast-paced world, enabling homeowners to maintain peace of mind even when they are away.

Safety is a key aspect of the design of the 00802-3. It includes a comprehensive set of safety features, such as automatic shut-off mechanisms for low oil pressure and high temperature, thus minimizing the risk of operational failures. Additionally, its noise-reducing technology ensures that the generator operates quietly, making it ideal for residential neighborhoods.

In summary, Generac Power Systems 00802-3 is a state-of-the-art standby generator that embodies reliability and advanced technology. Its Intelligent Power Technology, robust engine, user-friendly interface, and strong safety features set it apart as a leading choice for uninterrupted power supply. Whether for a household or business environment, the 00802-3 is engineered to deliver peace of mind and dependable power when it is most needed.