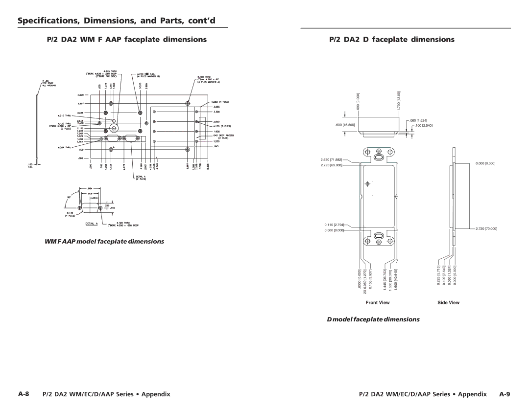
Specifications, Dimensions, and Parts, cont’d

P/2 DA2 WM F AAP mounting template

Cut-Out Template for Extron's

P/2 DA2 WM F AAP

4.50" (11.43 cm)

Wall Plate

2.68" (6.80 cm)

P/2 DA2 D mounting template

Cut-Out Template for Extron's

P/2 DA2 D

2.79"

(7.09 cm)

Wall Plate

8.23" (20.90 cm)

SURFACE CUT-OUT

AREA FOR

FURNITURE MOUNT

To install P/2 DA2 directly into furniture or wall, cut along this line.

4.50"

(11.43 cm)

1.88" (4.78 cm)

2.80" (7.11 cm)

SURFACE

CUT-OUT AREA

FOR

Location of Line Driver

To install Line Driver

7.31"

(18.28 cm)

Location of P/2 DA2

FURNITURE

MOUNT

directly into furniture or wall, cut along this line.

TEMPLATE IS FULL SIZE.

Please measure the printed template before cutting.

TEMPLATE IS NOT FULL SIZE.

A-16 P/2 DA2 WM/EC/D/AAP Series • Appendix

P/2 DA2 WM/EC/D/AAP Series • Appendix A-17

Page 24
Image 24
Extron electronic P/2 DA2 EC F, P/2 DA2 D, P/2 DA2 WM EC F DA2 WM F AAP mounting template, DA2 D mounting template

WM EC F, P/2 DA2 WM EC F, P/2 DA2 D, P/2 DA2 EC F specifications

Extron Electronics is a renowned manufacturer of advanced audiovisual (AV) solutions, providing high-quality distribution and control systems for various environments. Among their extensive product range, the P/2 DA2 EC F, P/2 DA2 WM EC F, WM EC F, and P/2 DA2 D models stand out for their exceptional performance and innovative technologies.

The P/2 DA2 EC F is a premium video distribution amplifier designed for balancing and distributing high-resolution video signals. One of its main features includes support for resolutions of up to 1080p, ensuring sharp and clear image quality over long distances. The unit incorporates Extron's proprietary technologies, such as Extron's Brightness and Contrast Enhancement, which help to optimize picture quality by improving brightness levels, contrast ratios, and overall color fidelity. Additionally, the P/2 DA2 EC F offers a user-friendly design, with easy-to-use front panel controls and a compact form factor that simplifies installation in various AV setups.

Similarly, the P/2 DA2 WM EC F is a wall-mountable version of the video distribution amplifier, catering to installations where space is limited. This feature enables efficient use of wall space without compromising on performance. Like its counterpart, it supports high-definition video signals and ensures the integrity of audio-visual content, making it a reliable choice for classrooms, conference rooms, and other professional settings.

The WM EC F model, designed specifically for ease of integration within wall-mounted applications, further emphasizes user convenience through its lightweight design and compact nature. It is compatible with various mounting systems and provides convenient access for maintenance, making it suitable for environments with heavy AV usage.

On the other hand, the P/2 DA2 D is a distinct product that features dual output capabilities, making it ideal for distributing video signals to two separate display devices simultaneously. With high bandwidth and excellent signal integrity, it ensures a seamless experience across multiple displays. The robust design accommodates various installation environments, including video conferencing, digital signage, and more, without any loss in resolution or quality.

Overall, Extron's P/2 series, including the DA2 EC F, DA2 WM EC F, WM EC F, and DA2 D, showcases advanced engineering in video distribution technology, offering versatile solutions tailored to meet the needs of modern AV installations. With their high performance, rich features, and user-centric design, these products continue to be essential tools for professionals in the audiovisual field.